V rámci našeho malého seriálu si ukážeme, jak vymodelovat píst motoru. V úvodních částech bude náročnost mírná s využitím základních funkcí jako je vysunutí, zrcadlení, odsazení apod. Postupně si tím zopakujeme základy modelování v řešení Solid Edge a připravíme se na složitější funkce, které budou demonstrovány v dalších dílech.
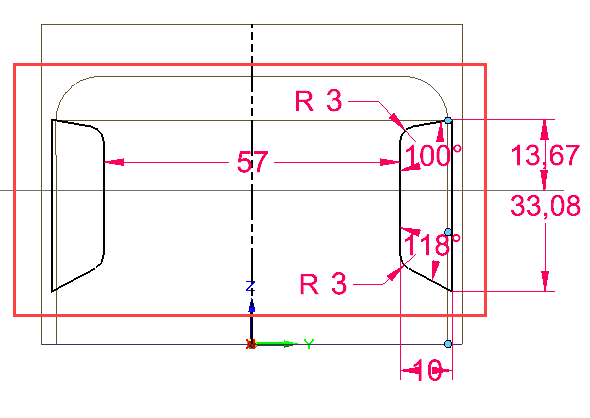
Otevřete si uložený dokument pist.par vymodelovaný dle volně dostupného návoduV rovině XY (půdorys) nakreslete příkazem Kružnice středem kružnici o velikosti 75,5 mm a skicu zavřeteVyberte příkaz Vyříznout, označte nakreslenou skicu a vyřízněte do hloubky 51,5 mmFunkcí Zaoblení zaoblete vnitřní hranu pístu na velikost 8,5 mmZe záložky Domů→ Roviny vyberte funkci Rovnoběžně a vytvořte novou rovinu s odsazením od roviny XY o velikosti 29,5 mm. Tato rovina bude vymezovat boční vybráníNa rovině pravého bokorysu (YZ) vytvořte skicu a nakreslete od ruky tvar, který je znázorněn na obrázku
Tip: Pro lepší viditelnost a přehlednost si přepněte styl pohledu na Drátový model
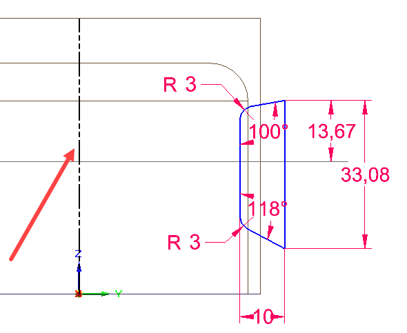
Zakótujte dle obrázku a nakreslete uprostřed tělesa konstrukční pomocnou čáru, ta bude sloužit pro zrcadlení v následujícím krokuZe záložky Domů→ Kreslit vyberte funkci Zrcadlit a duplikujte skicu poté nastavte kótu mezi jednotlivými entity na hodnotu 57 mm a skicu zavřete
Příkazem Vysunout vysuňte nakreslené skici Přes vše
Opět zvolte skicu do pravého bokorysu a zvolte ze záložky Kreslit příkaz Odsazení v plovoucím okně nastavte Jeden a klikejte na čáry (zeleně) vzdálenost nastavte na 2,7 mm a směr dovnitřNakreslete čáru podél hrany pístu a zvolte vazbu Připojit. Vždy klikněte na koncový bod přímky a druhý koncový bod jiné přímky, tím se entity spojí. Na závěr vzniklý obrazec znovu zrcadlete podle konstrukční přímkyJako poslední operaci v dnešním návodu proveďte vyříznutí nakreslených skic. První část pístu motoru je hotová, soubor si uložte pod názvem pist_1.parTip: Jako kontrola může sloužit pohled v řezu. Jak vytvořit pohled v řezu je ukázáno v návodu Pohled řezu
Pro přidávání komentářů se musíte nejdříve přihlásit.
Stejně jako většina ostatních webů na internetu používá i tento ke svému bezproblémovému provozu tzv. cookies. Pokud chcete tento web nadále používat, klade nám EU za úkol požadovat po vás souhlas s tímto sdělením.Souhlasím