V dnešním postupu si ukážeme, jak vymodelovat hlavu motoru typu MKII. Tento model motoru je součástí sestavy a používá do zmenšených modelů aut, které jsou rádiově řízeny na dálku.
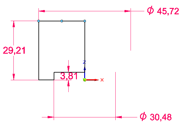
Před tím, než se pustíte do modelování, prostudujte si výkres dílu.
Postup pro vymodelování hlavy motoru:




Tip: Řez vytvořte dle návodu Pohled řezu.







