Tentokrát si ukážeme, jak vložit model do výkresu, přidat kóty, osy a rozmístit pohledy řezů.

Před vložením modelu do výkresu si zkontrolujte nastavení zobrazení hran. Klikněte na tlačítko aplikace a ze záložky Nastavení vyberte Možnosti
Před vložením modelu do výkresu si zkontrolujte nastavení zobrazení hran. Klikněte na tlačítko aplikace a ze záložky Nastavení vyberte Možnosti
V záložce Zobrazení hran rozklikněte rozbalovací menu Styl skrytých stran a zvolte Čárkovaná. Zkontrolujte ostatní nastavení a potvrďte tlačítkem OK
V záložce Zobrazení hran rozklikněte rozbalovací menu Styl skrytých stran a zvolte Čárkovaná. Zkontrolujte ostatní nastavení a potvrďte tlačítkem OK

 

Vložení pohledu modelu do výkresu

Otevřete si vytvořenou šablonu, kterou jste vytvořili podle návodu Editace popisového pole #2 a nastavte formát listu podle potřeby v našem případě na A4 – List
Otevřete si vytvořenou šablonu, kterou jste připravili podle návodu Editace popisového pole #2, a nastavte formát listu podle potřeby. V našem případě na A4 – List
Pro vložení modelu do výkresového pole můžeme využít dvou funkcí, a to Průvodce vkládáním pohledů nebo přetažením z Knihovny
Pro vložení modelu do výkresového pole můžeme využít dvou funkcí: Průvodce vkládáním pohledů, nebo přetažení z Knihovny
Vložte požadovaný model a v plovoucím okně nastavte Orientaci modelu (tlačítko se symbolem modré krychle) a Měřítko. Provedené úpravy potvrďte pravým tlačítkem
Vložte požadovaný model a v plovoucím okně nastavte Orientaci modelu (tlačítko se symbolem modré krychle) a Měřítko. Provedené úpravy potvrďte pravým tlačítkem
Pro přidání dalšího pohledu použijte funkci Hlavní ze záložky Domů → Výkresové pohledy
Pro přidání dalšího pohledu použijte funkci Hlavní ze záložky DomůVýkresové pohledy

 

Vložení kót a os

Vloženému modelu chybí osa a kóty. Řešení Solid Edge nabízí vložení os automaticky a kóty se načítají z modelu. Pro vložení použijte funkci Automatické osy, kterou najdete v záložce Domů → Poznámky
Vloženému modelu chybí osa a kóty. Řešení Solid Edge nabízí vložení os automaticky, kóty se načítají z modelu. Pro vložení použijte funkci Automatické osy, kterou najdete v záložce DomůPoznámky
Umístění osy definujte kliknutím na pohled modelu
Umístění osy definujte kliknutím na pohled modelu
Pro obnovení kót z původního modelu zvolte funkci Načíst kóty z modelu – příkaz leží v záložce Domů → Kóta
Pro obnovení kót z původního modelu zvolte funkci Načíst kóty z modelu – příkaz leží v záložce DomůKóta
Kóty se načtou obdobně jako v případě přidání osy, kliknutím na pohled. Kóty můžete editovat stejně jako při skicování. Nové kóty přidáte příkazem Chytrá kóta. Kóty na výkresu rozmístěte v souladu s normou a technickým kreslením
Kóty se načtou obdobně, jako v případě přidání osy – kliknutím na pohled. Kóty můžete editovat stejně, jako při skicování. Nové kóty přidáte příkazem Chytrá kóta. Kóty na výkresu rozmístěte v souladu s normou a technickým kreslením
Pro editaci kóty tolerancí drážky pera klikněte na vytvořenou kótu a zvolte Vybrat typ kóty a z rolovací nabídky vyberte Tolerance jednotky. Vpravo napište hodnotu horní a dolní meze, které vycházejí z normy ze Strojnických tabulek
Pro editaci kóty tolerancí drážky pera klikněte na vytvořenou kótu a zvolte Vybrat typ kóty. Z rolovací nabídky vyberte Tolerance jednotky. Vpravo napište hodnotu horní a dolní meze, které vycházejí z normy ze Strojnických tabulek
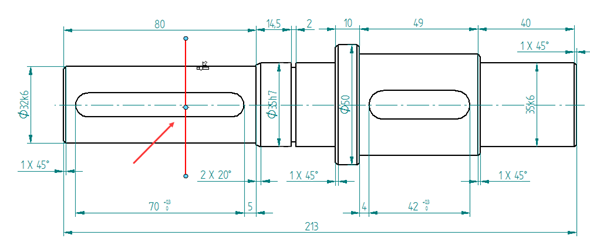
Pro správné zakótování drážky zvolte funkci Vzdálenost mezi ze záložky Domů → Kóta a zvolte krajní body uprostřed oblouku
Pro správné zakótování drážky zvolte funkci Vzdálenost mezi ze záložky DomůKóta a zvolte krajní body uprostřed oblouku

 

Tvorba řezů

Aby byl výkres úplný a obsahoval všechny důležité parametry pro výrobu, vytvoříme řez nejprve přes jednu drážku na pero, poté přes druhou.

Zvolte funkci Rovina řezu ze záložky Domů → Výkresové pohledy
Zvolte funkci Rovina řezu ze záložky DomůVýkresové pohledy
Klikněte na model a nakreslete rovinu řezu (svislou čáru) v místě, kde leží drážky pro pero
Klikněte na model a nakreslete rovinu řezu (svislou čáru) v místě, kde leží drážky pro pero
Požadujete-li průřez, klikněte v plovoucím okně na funkci Řez – Průřez
Jako výchozí zarovnání je nastaveno na osu modelu pro přesun pohledu řezu klikněte pravým tlačítkem na řez a vyberte Odstranit zarovnání
Výchozí zarovnání je nastaveno na osu modelu. Pro přesun pohledu řezu klikněte pravým tlačítkem na řez a vyberte Odstranit zarovnání
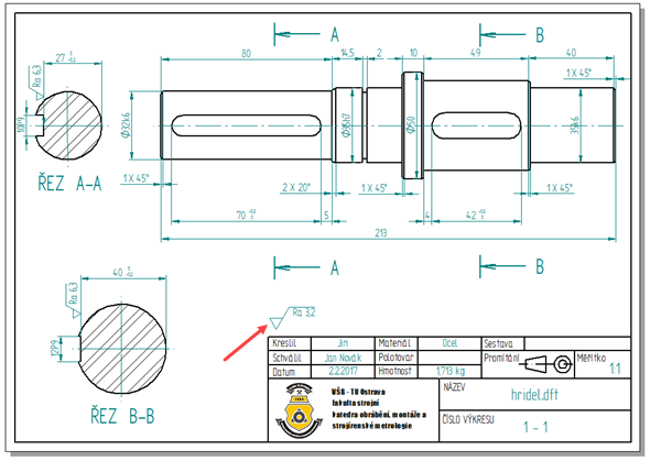
Průřez okótujte a stejným způsobem přidejte ŘEZ B-B. Výkres s modelem a všemi náležitosti je hotový, soubor si uložte
Průřez okótujte a stejným způsobem přidejte ŘEZ B-B. Výkres uložte

 

Značky opracování povrchu

Do výkresu zbývá doplnit značky opracování povrchu. Vyberte funkci Značka drsnosti ze záložky DomůPoznámky
Otevře se dialogové okno a vyberte Typ značky na záložce Obecné → Obrobené vodorovně
Otevře se dialogové okno, vyberte Typ značky na záložce ObecnéObrobené vodorovně
Podle náhledu zvolte umístění textu ve vztahu ke značce opracování povrchu a napište požadovanou drsnost Ra 6,3. Zaškrtněte Zmenšit značku pro jednoduchou drsnost a potvrďte tlačítko OK
Podle náhledu zvolte umístění textu ve vztahu ke značce opracování povrchu a napište požadovanou drsnost Ra 6,3. Zaškrtněte Zmenšit značku pro jednoduchou drsnost a potvrďte tlačítkem OK
Klikněte na plochu, ke které se značka opracování povrchu vztahuje. V Plovoucím okně nastavte Úhel → 90,00 st a zrušte zobrazení odkazové čáry příkazem Odkazová čára
Klikněte na plochu, ke které se značka opracování povrchu vztahuje. V plovoucím okně nastavte Úhel90,00 st a zrušte zobrazení odkazové čáry příkazem Odkazová čára
Značku opracování povrchu je nutné vložit i nad popisové pole. Vyberte funkci Značka drsnosti ze záložky Domů → Poznámky. Do pole pro text pod čarou napište Ra 3,2 a odškrtněte Zmenšit značku pro jednoduchou drsnost. Potvrďte OK
Značku opracování povrchu je nutné vložit i nad popisové pole. Vyberte funkci Značka drsnosti ze záložky DomůPoznámky. Do pole pro text pod čarou napište Ra 3,2 a odškrtněte Zmenšit značku pro jednoduchou drsnost. Potvrďte OK
Značku umístěte nad popisové pole. Výkres s modelem a všemi náležitosti je hotový, soubor si uložte
Značku umístěte nad popisové pole. Výkres s modelem a všemi náležitosti je hotov. Soubor si uložte

V dalším díle si ukážeme, jak vložit kusovník a editovat tabulky

Write A Comment