Druhý díl modelování šachových figurek se věnuje konstrukci střelce a koně. Spodní část obou modelovaných figurek má návaznost na model figurky z prvního dílu, pěšce.
Střelec
Otevřete model pěšce a uložte jej jako nový dokument s názvem střelec.sldprt. Klikněte pravým tlačítkem ve stromové struktuře na vytvořenou operaci Rotovat a klikněte na příkaz Upravit prvek.
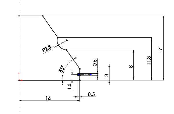
Změňte horní část skici dle obrázku. Dbejte na tečnou závislost mezi oblouky.

Dokončete operaci stisknutím zelené šipky v pravé horní části modelovacího prostředí.
Model střelce je hotov.
Kůň
Stejně jako v předchozím případě otevřete model pěšce a uložte jej pod novým názvem kůň.sldprt. Klikněte pravým tlačítkem ve stromové struktuře na vytvořenou operaci Rotovat a klikněte na příkaz Upravit prvek. Skicu upravte dle obrázku a vytvořte objemový model příkazem Přidání rotací.
V rovině Pravá naskicujte profil vystihující tvar koně. Přesné kóty zanedbejte, jedná se pouze o návrh šachové figurky. Dodržte pouze celkovou výšku profilu. Skica je v tomto případě podurčená (modrá barva skici), to však nemá vliv na budoucí tvar šachové figurky.
Příkazem Vysunout a nastavením parametrů Symetricky vysuňte profil do vzdálenosti 8 mm.
Nyní vytvořte úkosy příkazem Úkos na plochách, tak jak naznačuje obrázek.
Příkazem Zaoblit vytvořte zaoblení po celé délce obrysu součásti. Poloměr zaoblení volte 3 mm.
V rovině Pravá založte novou skicu. Příkazem Převést entity v panelu Skica přeneste skici, pomocí které jste vysunovali profil těla koně, tak jak naznačuje obrázek.
Příkazem Odebrat vysunutím odeberte symetricky do vzdálenosti 3mm středovou část hlavy šachové figurky.
Založte novou skicu na těle koně a pomocí příkazu pro tvorbu elipsy naznačte oko koně. Profil vysuňte do vzdálenosti 0,5 mm.
Příkazem Zrcadlit vytvořte oko na druhé straně těla koně. Plochou/rovinou zrcadlení je Pravá rovina.
Model koně je hotov.

V následujícím díle budeme modelovat figurku dámy.