Chcete-li si osvojit programování 2,5osého frézování v řešení Mastercam, připravili jsme pro vás seriál vhodný i pro začínající uživatele. Abyste si mohli programování vyzkoušet živě, vytvořte si nejdříve 3D model, na kterém představíme tvorbu technologického postupu.

Postup modelování je zpracován v CAD řešení SolidWorks. Jste-li uživatelem jiného CAD řešení, použijte pro tvorbu modelu pohledy z výrobního výkresu.

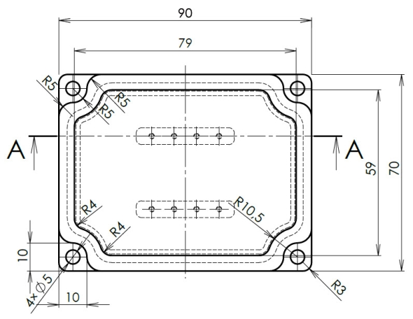
Pohled shora
Pohled shora
Pohled zdola
Pohled zdola
Řez
Řez
Detail na díru se závitem
Detail na díru se závitem
Prostorový pohled shora
Prostorový pohled shora
Prostorový pohled zdola
Prostorový pohled zdola

Postup modelování

Založte náčrt v Horní rovině
Založte náčrt v Horní rovině
Vyberte příkaz Obdélník s počátkem ve středu
Vyberte příkaz Obdélník s počátkem ve středu
Nakreslete a zakótujte obdélník s rozměry 90 × 70 mm
Nakreslete a zakótujte obdélník s rozměry 90 × 70 mm
Ze záložky Prvky vyberte příkaz Přidání vysunutím
Ze záložky Prvky vyberte příkaz Přidání vysunutím
Vysuňte uzavřený náčrt do vzdálenosti 5 mm
Vysuňte uzavřený náčrt do vzdálenosti 5 mm
Založte náčrt na horní ploše modelu
Založte náčrt na horní ploše modelu
Aktivujte příkaz Průvodce dírami
Aktivujte příkaz Průvodce dírami
Zvolte typ díry Díra a nastavte velikost 5 mm. Přepněte se do záložky Polohy
Zvolte typ díry Díra a nastavte velikost 5 mm. Přepněte se do záložky Polohy
Umístěte díru do pravého spodního rohu a zakótujte střed díry ve vzdálenosti 5 mm od spodní a pravé hrany vysunutého modelu
Umístěte díru do pravého spodního rohu a zakótujte střed díry ve vzdálenosti 5 mm od spodní a pravé hrany vysunutého modelu
Založte nový náčrt na horní ploše modelu
Založte nový náčrt na horní ploše modelu
Nakreslete čtverec o rozměrech 10 × 10 mm. Pravý dolní roh čtverce je sjednocený s pravým dolním rohem vysunutého modelu
Nakreslete čtverec o rozměrech 10 × 10 mm. Pravý dolní roh čtverce je sjednocený s pravým dolním rohem vysunutého modelu
Příkazem Odebrání vysunutím odeberte čtverec do vzdálenosti 3 mm
Příkazem Odebrání vysunutím odeberte čtverec do vzdálenosti 3 mm
Ze záložky prvky vyberte příkaz Zrcadlit
Ze záložky Prvky vyberte příkaz Zrcadlit
Označte Pravou rovinu a zrcadlete poslední dva vytvořené prvky – Díra a Odebrání vysunutím
Označte Pravou rovinu a zrcadlete poslední dva vytvořené prvky – Díra a Odebrání vysunutím
Stejně tak zrcadlete prvky podle Přední roviny
Stejným způsobem zrcadlete prvky podle Přední roviny
Ze záložky Prvky vyberte příkaz Zaoblit
Ze záložky Prvky vyberte příkaz Zaoblit
Z plovoucího menu vyberte druhou možnost pro automatický výběr všech hran k zaoblení
Z plovoucího menu vyberte druhou možnost pro automatický výběr všech hran k zaoblení
Nastavte velikost poloměru zaoblení 5 mm, zkontrolujte náhled a dokončete příkaz
Nastavte velikost poloměru zaoblení 5 mm, zkontrolujte náhled a dokončete příkaz
Založte nový náčrt na druhé straně modelu
Založte nový náčrt na druhé straně modelu
Nakreslete znázorněný náčrt pomocí přímek a oblouků a zakótujte jej
Nakreslete znázorněný náčrt pomocí přímek a oblouků a zakótujte jej
Zrcadlete náčrt podle svislé osy
Zrcadlete náčrt podle svislé osy
Celý náčrt zrcadlete podle vodorovné osy
Celý náčrt zrcadlete podle vodorovné osy
Ze záložky prvky vyberte příkaz Odebrání vysunutím
Ze záložky Prvky vyberte příkaz Odebrání vysunutím
Nastavte hloubku odebrání 1,5 mm a aktivujte možnost Tenkostěnný prvek. Změňte směr odebrání směrem dovnitř a nastavte tloušťku prvku 3 mm
Nastavte hloubku odebrání 1,5 mm a aktivujte možnost Tenkostěnný prvek. Změňte směr odebrání směrem dovnitř a nastavte tloušťku prvku 3 mm
Založte náčrt na stejné ploše, jako v předchozím případě
Založte náčrt na stejné ploše, jako v předchozím případě
Vyberte příkaz Odsadit entity
Vyberte příkaz Odsadit entity
Nastavte velikost odsazení 1,5 mm a upravte směr odsazení tak, aby směřoval dovnitř
Nastavte velikost odsazení 1,5 mm a upravte směr odsazení tak, aby směřoval dovnitř
Odeberte uzavřený náčrt do vzdálenosti 2 mm
Odeberte uzavřený náčrt do vzdálenosti 2 mm
Založte náčrt na druhé straně modelu
Založte náčrt na druhé straně modelu
Aktivujte režim zobrazení Skryté hrany viditelné
Aktivujte režim zobrazení Skryté hrany viditelné
Aktivujte příkaz Odsadit entity a vyberte skryté hrany zobrazené čerchovanou čarou. Obrys je zvýrazněný červenou šipkou
Aktivujte příkaz Odsadit entity a vyberte skryté hrany zobrazené čerchovanou čarou. Obrys je zvýrazněný červenou šipkou
Příkazem Přidání vysunutím vysuňte obrys do vzdálenosti 5 mm
Příkazem Přidání vysunutím vysuňte obrys do vzdálenosti 5 mm
Založte náčrt na druhé straně modelu
Založte náčrt na druhé straně modelu
Označte plochu zvýrazněnou červenou šipkou a vyberte příkaz Převést entity
Označte plochu zvýrazněnou červenou šipkou a vyberte příkaz Převést entity
Převedeným náčrtem odebereme materiál. Vyberte příkaz Odebrání vysunutím a v poli Směr č. 1 nastavte možnost Ekvidistantně od plochy. Označte zadní stranu modelu (znázorněna červenou šipkou) a zvolte velikost odsazení 2 mm
Převedeným náčrtem odebereme materiál. Vyberte příkaz Odebrání vysunutím a v poli Směr č. 1 nastavte možnost Ekvidistantně od plochy. Označte zadní stranu modelu (znázorněna červenou šipkou) a zvolte velikost odsazení 2 mm
Zaoblete hrany modelu poloměrem 3 mm
Zaoblete hrany modelu poloměrem 3 mm
Založte náčrt na vnitřní ploše a nakreslete obdélník s rozměry 35 × 6 mm. Vzdálenost spodní hrany obdélníku od počátku je 10 mm
Založte náčrt na vnitřní ploše a nakreslete obdélník s rozměry 35 × 6 mm. Vzdálenost spodní hrany obdélníku od počátku je 10 mm
Vysuňte obdélník do vzdálenosti 4 mm
Vysuňte obdélník do vzdálenosti 4 mm
Vyberte příkaz Průvodce dírami a nastavte parametry pro tvorbu díry se závitem o velikost M2×0,4. Ukončení závitu ponechejte ve výchozím nastavení a přejděte do záložky Polohy
Vyberte příkaz Průvodce dírami a nastavte parametry pro tvorbu díry se závitem o velikost M2×0,4. Ukončení závitu ponechejte ve výchozím nastavení a přejděte do záložky Polohy
Umístěte středy děr se závitem a zakótujte jejich polohy
Umístěte středy děr se závitem a zakótujte jejich polohy
Vysunutý prvek s dírami zrcadlete podle roviny Přední
Vysunutý prvek s dírami zrcadlete podle roviny Přední
Upravte přechodové hrany na vysunutých prvcích zaoblením o velikosti 2 mm
Upravte přechodové hrany na vysunutých prvcích zaoblením o velikosti 2 mm
Definujte modelu materiál Obyčejná uhlíková ocel
Definujte modelu materiál Obyčejná uhlíková ocel
Model je připravený pro tvorbu výkresové dokumentace, importování do CAM systému nebo pro export do jiného datového formátu – např. IGES, STEP atd.
Model je připravený pro tvorbu výkresové dokumentace, pro export do jiného datového formátu – např. IGES, STEP atd. a importování do CAM řešení